無約束波紋補償器性能特點:
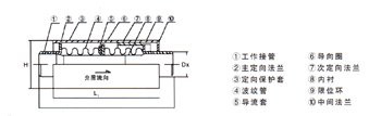
JWY型無約束波紋補償器又稱為無約束波紋管、無約束膨脹節、直埋式補償器、該補償器內的波紋管采用單層、雙層或多層U型波,波紋管和導流套材料為 1Cr18Ni9Ti 等奧氏體不銹鋼,其它材料為低碳鋼或低合金鋼。
無約束波紋補償器在固定支架間距的確定和固定支座推力計算等和普通的軸向型補償器完全相同。無約束波紋補償器除了取消予拉伸工作外,還大大地寬松了安裝要求。無約束波紋補償器可象一段短管一樣安裝于管道中,不必按其它軸向型膨脹節通常要求的全線鋼管接好后再割下和膨脹節等長管道的方法。還由于無約束波紋補償器堅固的外殼,也方便了運輸、安裝和保溫。
無約束波紋補償器用途:
無約束波紋補償器用于管道的軸向補償,補償量大,具有強力自導向和超強的抗彎能力,從而可以簡化管道導向支架的設計,使導向支架的間距安裝均可任意調節。
JWY型無約束波紋補償器技術參數
通徑 DN | 波數 | 壓力等級 Mpa | 波紋管有效面積 cm2 | 最大外徑尺寸 mm | 接管端口尺寸 doxs mm | 總長 L mm | ||||
0.25 | 0.6 | 1 | 1.6 | 2.5 | ||||||
軸向補償量: mm/ 剛度 N/mm | ||||||||||
50 | 8 | 14/153 | 12/318 | 12/318 | 12/635 | 11/1310 | 37 | 120 | ф57 × 3.5 | 361 |
16 | 27/76 | 24/158 | 24/158 | 24/318 | 23/655 | 445 | ||||
32 | 52/38 | 48/79 | 48/79 | 48/159 | 46/328 | 621 | ||||
65 | 8 | 19/213 | 18/213 | 18/213 | 18/424 | 15/814 | 55 | 159 | ф73 × 4 | 377 |
12 | 30/142 | 29/142 | 27/142 | 27/283 | 25/421 | 425 | ||||
24 | 60/71 | 58/107 | 54/107 | 54/142 | 50/211 | 581 | ||||
80 | 8 | 30/179 | 30/179 | 30/358 | 29/358 | 27/650 | 81 | 162 | ф89 × 4 | 430 |
10 | 54/143 | 37/143 | 37/286 | 37/286 | 32/325 | 466 | ||||
20 | 108/72 | 74/72 | 74/143 | 74/143 | 64/163 | 660 | ||||
100 | 6 | 34/138 | 34/277 | 33/417 | 33/417 | 32/817 | 121 | 180 | ф108 × 4 | 410 |
10 | 56/83 | 56/166 | 56/250 | 54/250 | 50/409 | 492 | ||||
20 | 112/42 | 112/83 | 112/125 | 108/125 | 100/205 | 712 | ||||
125 | 5 | 37/136 | 36/272 | 36/408 | 35/408 | 33/801 | 180 | 221 | ф133 × 4 | 410 |
9 | 66/76 | 65/151 | 65/227 | 63/227 | 60/401 | 412 | ||||
18 | 132/38 | 130/76 | 130/114 | 126/114 | 120/201 | 711 | ||||
150 | 5 | 49/100 | 49/200 | 48/300 | 45/456 | 44/845 | 257 | 245 | ф159 × 4.5 | 433 |
8 | 88/63 | 78/125 | 77/188 | 71/286 | 65/423 | 518 | ||||
16 | 159/32 | 156/63 | 154/94 | 142/143 | 130/211 | 756 | ||||
200 | 4 | 58/95 | 56/193 | 56/288 | 56/480 | 55/800 | 479 | 327 | ф219 × 6 | 475 |
6 | 86/63 | 85/128 | 85/192 | 84/320 | 80/927 | 553 | ||||
12 | 172/32 | 170/64 | 170/96 | 168/160 | 160/200 | 800 | ||||
250 | 4 | 75/170 | 74/343 | 63/588 | 53/930 | 50/1856 | 769 | 404 | ф273 × 8 | 500 |
6 | 112/113 | 110/228 | 95/392 | 80/620 | 78/927 | 620 | ||||
12 | 220/57 | 220/114 | 190/196 | 160/310 | 156/464 | 984 | ||||
300 | 4 | 73/250 | 72/503 | 65/830 | 57/1253 | 54/2142 | 1105 | 451 | ф325 × 8 | 584 |
6 | 110/167 | 109/335 | 97/553 | 85/835 | 80/1071 | 713 | ||||
12 | 220/84 | 218/168 | 194/277 | 170/418 | 160/536 | 1116 | ||||
350 | 4 | 79/263 | 78/523 | 72/840 | 64/1265 | 62/2684 | 1307 | 500 | ф377 × 10 | 614 |
6 | 119/175 | 117/348 | 107/560 | 97/843 | 90/1342 | 759 | ||||
12 | 238/88 | 234/174 | 241/218 | 194/442 | 180/671 | 1216 | ||||
400 | 4 | 83/280 | 73/458 | 70/918 | 65/1373 | 63/3675 | 1611 | 537 | ф426 × 10 | 625 |
6 | 125/187 | 109/305 | 102/612 | 97/915 | 90/1838 | 771 | ||||
12 | 250/94 | 218/153 | 204/306 | 194/458 | 180/920 | 1225 | ||||
450 | 4 | 98/203 | 96/405 | 82/690 | 69/2305 | 65/4350 | 1972 | 632 | ф478 × 10 | 620 |
6 | 147/135 | 144/270 | 124/460 | 103/1537 | 90/2175 | 762 | ||||
12 | 294/68 | 288/135 | 248/230 | 206/769 | 180/1087 | 1200 | ||||
500 | 4 | 102/212 | 100/423 | 84/728 | 70/2452 | 65/4256 | 2445 | 699 | ф529 × 10 | 624 |
6 | 153/142 | 149/282 | 126/485 | 105/1635 | 90/2128 | 766 | ||||
12 | 306/71 | 298/141 | 252/243 | 210/818 | 180/1064 | 1216 | ||||
600 | 4 | 123/265 | 121/530 | 86/1468 | 99/1740 | 95/2842 | 3534 | 806 | ф630 × 10 | 676 |
6 | 185/177 | 181/353 | 148/978 | 140/1160 | 120/1420 | 848 | ||||
12 | 370/89 | 362/177 | 358/489 | 280/580 | 240/710 | 1382 | ||||
700 | 4 | 128/287 | 126/573 | 87/1625 | 85/2972 | 84/4100 | 4717 | 915 | ф720 × 10 | 708 |
6 | 192/192 | 188/382 | 168/1083 | 131/1982 | 120/2050 | 882 | ||||
12 | 384/96 | 376/191 | 336/542 | 262/991 | 240/11025 | 1422 |
上一篇:【DBHKXW型大波紋板盒型可限位伸縮補償器】
下一篇:【煙、風、煤管道波紋補償器(FGFB)】
豫公網安備 41910102000522號
地址:鞏義市永安路南段 0371-64393352 64580820 傳 真:0371-64031200 手 機:15903663076