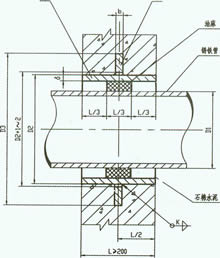
名稱:剛性防水套管(A型)
剛性防水套管適用范圍:
剛性防水套管適用于管道穿墻處不承受管道振動和伸縮變形的構(建)筑物,對于地震設防要求的地區,如采用剛性防水套管,應在進入池壁或建筑物外墻的管道上就近設置柔性連接,A型適用于鋼管。
剛性防水套管(A型)尺寸表、重量表
DN | D1 | D2 | D3 | D14 | δ | B | k | 重量 (kg) |
50 | 60 | 80 | 114 | 225 | 3.5 | 10 | 4 | 4.49 |
65 | 75.5 | 95 | 121 | 230 | 3.75 | 10 | 4 | 4.66 |
80 | 89 | 110 | 140 | 250 | 4 | 10 | 4 | 5.33 |
100 | 108 | 130 | 159 | 270 | 4.5 | 10 | 5 | 6.36 |
125 | 133 | 155 | 180 | 290 | 6 | 10 | 6 | 8.33 |
150 | 159 | 180 | 219 | 330 | 6 | 10 | 6 | 1O.06 |
200 | 219 | 240 | 273 | 385 | 8 | 12 | 8 | 15.9 |
250 | 273 | 295 | 325 | 435 | 8 | 12 | 8 | 18.68 |
300 | 325 | 345 | 377 | 500 | 10 | 14 | 10 | 27.40 |
350 | 377 | 400 | 426 | 550 | 10 | 14 | 10 | 30.95 |
400 | 426 | 445 | 480 | 600 | 10 | 14 | 10 | 34.35 |
450 | 480 | 500 | 530 | 650 | 1O | 14 | 10 | 37.85 |
500 | 530 | 550 | 590 | 730 | 10 | 16 | 10 | 44.54 |
600 | 630 | 660 | 690 | 830 | 10 | 16 | 10 | 54.50 |
700 | 720 | 750 | 790 | 920 | 10 | 16 | 10 | 61.43 |
800 | 820 | 850 | 880 | 1020 | 10 | 16 | 10 | 69.12 |
900 | 920 | 950 | 980 | 1120 | 10 | 16 | 10 | 76.81 |
1000 | 1020 | 1050 | 1080 | 1230 | 10 | 16 | 10 | 84.50 |
1200 | 1220 | 1250 | 1290 | 1430 | 12 | 20 | 12 | 122.5 |
1400 | 1420 | 1450 | 1490 | 1630 | 12 | 20 | 12 | 141.3 |
1600 | 1620 | 1650 | 1690 | 1830 | 14 | 20 | 14 | 176.4 |
1800 | 1820 | 1850 | 1900 | 2040 | 16 | 20 | 16 | 216.6 |
2000 | 2020 | 2050 | 2100 | 2240 | 16 | 20 | 16 | 239.3 |
上一篇:【不銹鋼防水套管】
下一篇:【鋼性防水套管(B型)】
豫公網安備 41910102000522號
地址:鞏義市永安路南段 0371-64393352 64580820 傳 真:0371-64031200 手 機:15903663076